X

Nous apprécions votre intimité!

Pour que notre site fonctionne au mieux, nous voulons utiliser des cookies.  Certains cookies sont nécessaires au fonctionnement du site web, et certains améliorent l'expérience de l'utilisateur.  Toutes les données collectées sont anonymes pour lesquelles nous avons besoin de votre consentement volontaire et révocable.  Pour plus d'informations, voir notre politique de protection de la vie privée.

Produits
FD-MR06D

FD-MR06D

Le commutateur magnétique de la série FD-MR06D est adapté pour le cylindre standard, le cylindre de mesure ISO, le cylindre circulaire standard.
Type d'échantillon:FD-MR06DS2.*

Pour une sélection détaillée du produit, veuillez nous contacter Retour
Fonction & Caractéristiques

Pour le cylindre standard, cylindre de mesure ISO, cylindre circulaire standard, à l'aide d'un dispositif de fixation

Il peut correspondre au commutateur yadeke DS1

Peut remplacer directement le modèle électronique de la série FD-MS01

Grande précision de positionnement, forte capacité anti-interférence

Deux fils, pas de contact

Remplacement Direct du commutateur magnétique à tube à roseau

Les types de câbles et de connecteurs sont optionnels

Longue vie et réponse rapide

La sensibilité est optimisée pour éviter les interférences du champ magnétique autour du cylindre

Résistance aux chocs, résistance aux chocs

Optimisation de la qualité de Protection, caractéristiques imperméables à l'eau et à l'huile

Optimisation des matériaux de la coquille, haute résistance, fixée fermement

Moulage par injection intégré, amélioration de la structure, optimisation de l'apparence 

Paramètres de base
Logique de commutationÉlectronique, type normalement ouvert
Type de commutateur à InductionType de deux fils sans contact
Lampe de signalisationLED rouge
Sensibilité de l’induction60…800 gauss
Fréquence de commutation maximale1000Hz
Circuit de ProtectionProtection inverse de polarité d'alimentation;
Protection contre l'absorption des
surtensions
Paramètres électriques
Alimentation électrique10…30VDC
Courant de commutation100mA Max
Capacité de contact maximale3W Max
Consommation interne courant50μA Max@24V
La chute de pression résiduelle2.65V Max@100mA
Courant de fuite50μA Max@24V
Paramètres mécaniques
CâbleΦ3.3,2C gris PVC résistant à l’huile
Résistance aux chocs50G
vibrations9G
Conditions environnementales
Température de fonctionnement﹣10…70℃
Classe de protection IP67

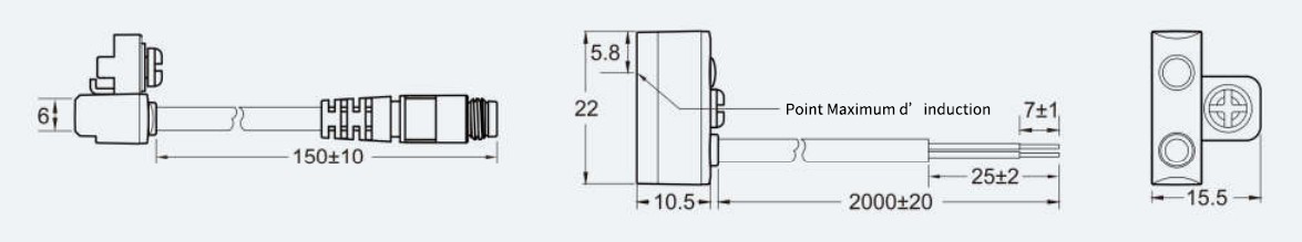
Dimensions globales


FD-MR06尺寸图~法.png




Schéma de câblage


FD-MR06D电气接线~法 .png


Brochures
Manuels  
CAD/CAE
Certificat