X

Nous apprécions votre intimité!

Pour que notre site fonctionne au mieux, nous voulons utiliser des cookies.  Certains cookies sont nécessaires au fonctionnement du site web, et certains améliorent l'expérience de l'utilisateur.  Toutes les données collectées sont anonymes pour lesquelles nous avons besoin de votre consentement volontaire et révocable.  Pour plus d'informations, voir notre politique de protection de la vie privée.

Produits
FD100.10A-40X1

FD100.10A-40X1

FD100.10A-40X1 l'encodeur d'arbre creux incrémental peut être utilisé pour servomoteurs, ascenseurs, robots industriels, Ligne de production de contrôle automatique industriel, etc.

Pour une sélection détaillée du produit, veuillez nous contacter Retour
Fonction & Caractéristiques

Encodeur compact et économique, diamètre seulement 40mm

Encodeur d'arbre creux incrémental

Le nombre d'impulsions de sortie peut atteindre 1024

Les modes de sortie du signal peuvent être Push - pull et RS422

Avec plaque signalétique métallique, capable de supporter des charges de résistance plus élevées

Protection du court - circuit

Paramètres de base
Diamètre extérieur40mm
Diamètre de l'axe6mm,8mm,3/16'',5/16''
Vitesse de rotation maximale6000 r
Charge maximale par essieu——
Couple de démarrage<1Ncm
Moment d'inertie<5gcm²
Paramètres électriques
Puissance5…30VDC;5VDC
Signal de sortie5…30VDC:push-pull;5VDC:RS422
Courant de travailPush-pull:30mA;RS422:20mA
Résolution25,50,100,150,180,200,250,360,400,
500,1000,1024
Fréquence de sortieMax 100KHz
Interface électriqueConnexion par câble:8×0.08mm²,2m
Paramètres mécaniques
Types de brides——
MatériauxLa coquille: AL;La jante: AL;Axe: acier inoxydable
PoidsAbout 160g
Anti-VibrationIEC 68-2-6;100m/s² 10…2000HZ
Suppression des surtensionsIEC 68-2-27;200m/s² 3ms
Conditions environnementales
Température de fonctionnement﹣10…+70℃
Température de stockage﹣25…+85℃
Classe de protection IP54

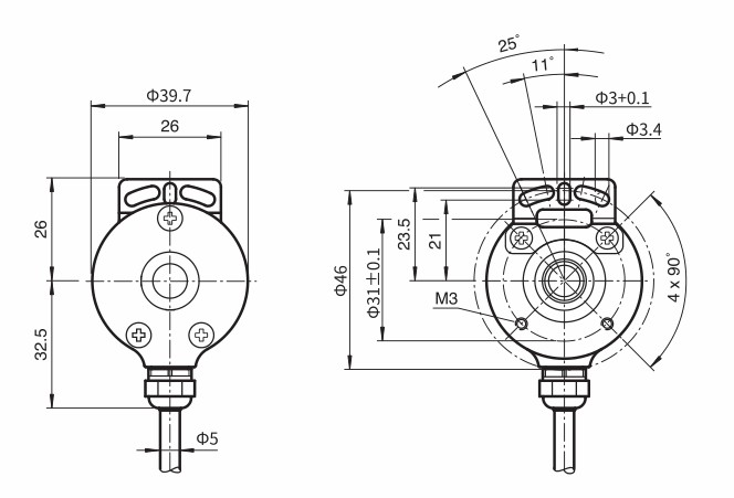
Dimensions globales


FD100.10A-40X1尺寸图1~1.jpg


FD100.10A-48X1尺寸图2~法.jpg



Schéma de câblage


FD100.10A-40X1接线图~法.jpg


Brochures
Manuels  
CAD/CAE
Certificat