X

Nous apprécions votre intimité!

Pour que notre site fonctionne au mieux, nous voulons utiliser des cookies.  Certains cookies sont nécessaires au fonctionnement du site web, et certains améliorent l'expérience de l'utilisateur.  Toutes les données collectées sont anonymes pour lesquelles nous avons besoin de votre consentement volontaire et révocable.  Pour plus d'informations, voir notre politique de protection de la vie privée.

Produits
FD100.10A-50X0

FD100.10A-50X0

FD100.10A-50X0 l'encodeur incrémental à arbre plein peut être utilisé dans le champ de moteur servo, le champ d'ascenseur,Champ industriel de robots, automatisation industrielle commande de lignes de production, etc.

Pour une sélection détaillée du produit, veuillez nous contacter Retour
Fonction & Caractéristiques

Petit encodeur économique, diamètre extérieur 50mm

Encodeur d'arbre solide incrémental

Dans des conditions normales, le nombre d'impulsions de sortie peut atteindre 3600

Les modes de sortie du signal peuvent être push - pull et RS422

Avec plaque signalétique métallique, capable de supporter des charges de résistance plus élevées

Protection du court - circuit

Paramètres de base
Diamètre extérieur50mm
Diamètre de l'axe8mm
Vitesse de rotation maximale6000 r
Charge maximale par essieuAxial/radial:30N / 50N(Toute la);
50N/80N(Spécifique)
Couple de démarrage<1Ncm
Moment d'inertie<5gcm2
Paramètres électriques
Puissance5…30VDC;5VDC
Signal de sortie5…30VDC:push-pull;5VDC:RS422
Courant de travailPush-pull:30mA;RS422:20mA
RésolutionGeneral:50,100,200,360,400,500 , 1000,
1024
Specific:100,200,300,360,500 , 600 , 800,
1000,1024,1200,1500,1800,2000,
2048,2500,3600
Fréquence de sortieMax 100KHz
Interface électriqueConnexion par câble (push-pull):5×0.08mm²,
0.5m
Connexion par câble(RS422) : 8×0.08mm²,0.5m
Paramètres mécaniques
Types de bridesSpannflansche
MatériauxLa coquille:AL;La jante:AL;
Shaft: Acier inoxydable
PoidsAbout 300g
Anti-VibrationIEC 68-2-6;100m/s² 10…2000HZ
Suppression des surtensionsIEC 68-2-27;200m/s² 3ms
Conditions environnementales
Température de fonctionnement﹣10…+70℃
Température de stockage﹣25…+85℃
Classe de protection IP54

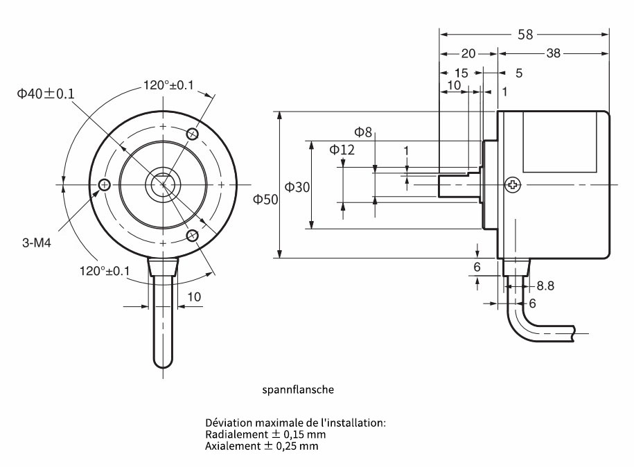
Dimensions globales


FD100.10A-50X0尺寸图~法.jpg



Schéma de câblage


FD100.10A-50X0-法.jpg



Brochures
Manuels  
CAD/CAE
Certificat