X

Nous apprécions votre intimité!

Pour que notre site fonctionne au mieux, nous voulons utiliser des cookies.  Certains cookies sont nécessaires au fonctionnement du site web, et certains améliorent l'expérience de l'utilisateur.  Toutes les données collectées sont anonymes pour lesquelles nous avons besoin de votre consentement volontaire et révocable.  Pour plus d'informations, voir notre politique de protection de la vie privée.

Produits
FD30G.50

FD30G.50

FD30G.50 jauge de niveau résistant à la corrosion pour la mesure des liquides corrosifs.
Type d'échantillon:FD30G.50-113.1000.10010.*

Pour une sélection détaillée du produit, veuillez nous contacter Retour
Fonction & Caractéristiques

Sonde anti corrosion PTFE à tige

Précision ± 3mm, résolution 1mm

Barre de plage de mesure 0...6m

Convient à la mesure des liquides corrosifs

La pression de procédé peut atteindre 2.0MPa

Température du procédé jusqu'à 180 °C

Non affecté par le bruit, la vapeur, la poussière, le vide,attendez.

Il n'est pas affecté par les changements de densité et de température du milieu

Paramètres de base
Plage de mesure6m
Précision±3mm
Répétabilité±2mm
Taux de résolution1mm
Plage de fréquence100MHz…1.8GHz
Paramètres électriques
Alimentation électrique24VDC(±10%)
Production unique4…20mA / HART (deux fils)
Paramètres mécaniques
Le matériau de la sondeAcier inoxydable
Connexion au processusFil, bride
Interface électriqueDeux M20×1.5 ou deux NPT1/2
Conditions environnementales
Température moyenne﹣40…+180℃
Pression du processus﹣0.1…2.0MPa
Classe de protection IP67
Classe à l´épreuve des explosionsExia II CT6

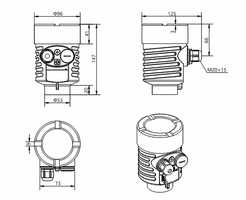
Dimensions globales


FD30G表头.jpg


FD30G.50尺寸图-法.jpg

Schéma de câblage


FD30G接线2.jpg







Brochures
Manuels  
CAD/CAE
Certificat