X

We value your privacy!

To make our website work best, we want to use cookies. Some cookies are necessary for the operation of the website, and some improve the user experience. Any data collected are anonymous for which we need your voluntary and revocable consent. For more information on this, see our privacy policy.

Products
PQ02B

PQ02B

PQ02B micro-miniature photoelectric switch,mainly applied to the detection of small objects in a narrow space,can be used in electronics,semiconductors,printing machinery,robotics and other fields.

For detailed product selection, please contact us Return
Function & Features

Micro-compact form factor

Diffuse reflection type, detection distance 85mm

Response speed less than 1ms

Economical, suitable for electronics, printing and other industries

Cable connection

High anti-interference capability


Basic parameters
Detection distanceDiffuse reflection:15…85mm
Response time≤1ms
The light source in diameterA circular spot with a diameter of 4mm at 85mm
Electrical parameters
Power supply10…30VDC
Offset Voltage≤15% DC
Open circuit current≤30mA
Protection current1.2 times
Output current≤100mA
Signal voltage≤2V
Output modePNP or NPN , NO or NC
Capacitive load≤0.2μF
VDE Security level
Mechanical parameters
MountM2 nut fixing
Connection type3 wire
Cable2m
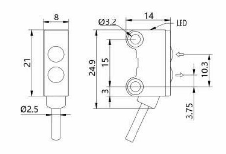
Product size21×14×8mm (L×W×H)
Shell materialPC plastic
Environmental conditions
Operating temperature﹣25…+50℃
Storage temperature﹣30…+60℃
Protection classIP65

Overall dimensions



PQ02B尺寸图.jpg


Wiring diagram


接线图~英.png



Brochures
Manuals
CAD/CAE
Certificate