X

We value your privacy!

To make our website work best, we want to use cookies. Some cookies are necessary for the operation of the website, and some improve the user experience. Any data collected are anonymous for which we need your voluntary and revocable consent. For more information on this, see our privacy policy.

Products
FD100.20-80X71

FD100.20-80X71

FD100.20-80X71 absolute value hollow shaft encoder can be used in servo motor field, elevator field, industrial robot field, industrial automation control production line field, etc.

For detailed product selection, please contact us Return
Function & Features

Absolute value hollow shaft encoder, single turn and multi turn options

Larger overall dimension, with outer diameter of 80mm

EtherCAT output

Resolution up to 32 bits

Short circuit protection, overvoltage protection

Basic parameters
Outside diameter80mm
Shaft sleeve diameter16…27mm
Maximum speed of revolution3000 r
Maximum shaft load——
Starting torque<6Ncm
Moment of inertia<60gcm2
Electrical parameters
Power supply10…30VDC
Output singalEtherCAT
Working current<350mA
Max resolutionOne turn 16 bits(65536) ;Cycles16 bits(65536)
Output frequency100MBit/s
Count directionProgrammable setting
Zero bit presetProgrammable setting
Electrical interfaceConnector: M12 (5 pin)+M12(5 hole)+M8 (4 pin)
Mechanical parameters
Flange type——
MaterialsShell: AL;Flange: AL;axle sleeve : stainless steel
WeightAbout 700g
Anti-VibrationIEC 68-2-6;100m/s² 10…2000HZ
Surge suppressionIEC 68-2-27;200m/s² 3ms
Environmental conditions
Operating temperature﹣40…+80℃
Storge temperature﹣40…+85℃
Protection classIP54 / IP65

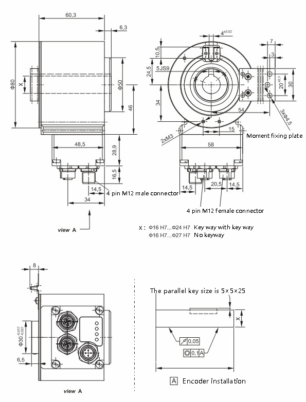
Overall dimensions


FD100.20-80X71尺寸图~英.png


            


Wiring diagram


FD100.20-80X71接线图~英.png




Brochures
Manuals
CAD/CAE
Certificate