X

We value your privacy!

To make our website work best, we want to use cookies. Some cookies are necessary for the operation of the website, and some improve the user experience. Any data collected are anonymous for which we need your voluntary and revocable consent. For more information on this, see our privacy policy.

Products
FD100.20-58X60

FD100.20-58X60

FD100.20-58X60 absolute value solid shaft encoder can be used in servo motor field, elevator field, industrial robot field, industrial automation control production line field, etc.

For detailed product selection, please contact us Return
Function & Features

Absolute value solid shaft encoder, single turn and multi turn options

General overall dimension, with outer diameter of 58mm

DeviceNet output

Resolution up to 32 bits

Short circuit protection, overvoltage protection

Basic parameters
Outside diameter58mm
Shaft diameter6mm,10mm,12mm
Maximum speed of revolution12000 r
Maximum shaft loadAxial/radial:40N/110N
Starting torque<3Ncm
Moment of inertia<30gcm2
Electrical parameters
Power supply10…30VDC
Output singalDeviceNet
Output typeRS485
Output codeBinary/Gray code
Working current<350mA
Max resolutionOne turn 16 bits (65536) ; Cycles 16 bits (65536)
Output frequency125KBit…500KBit/s
Count directionProgrammable setting
Zero bit presetProgrammable setting
Electrical interfaceWiring type: special DeviceNet cable and 2×
0.3mm2 power cord
Connector: M12(5 pin)+M12(5 hole)+M8(4 pin)
Mechanical parameters
Flange typeClamping flange / Synchronous flange
MaterialsShell: AL;Flange: AL;axle sleeve : stainless steel
WeightAbout 520g
Anti-VibrationIEC 68-2-6;100m/s² 10…2000HZ
Surge suppressionIEC 68-2-27;200m/s² 3ms
Environmental conditions
Operating temperature﹣40…+80℃
Storge temperature﹣40…+85℃
Protection classIP65 / IP67

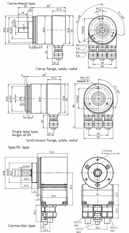
Overall dimensions


FD100.20-58X60尺寸图~英.png




               


Wiring diagram


FD100.20-58X60常规型接线图~英.png





Brochures
Manuals
CAD/CAE
Certificate