X

Wir schätzen Ihre Privatsphäre!

Damit unsere Website optimal funktioniert, möchten wir Cookies verwenden.   Einige Cookies sind für den Betrieb der Website erforderlich und einige verbessern die Benutzererfahrung.   Alle erhobenen Daten sind anonym, wofür wir Ihre freiwillige und widerrufliche Einwilligung benötigen.   Weitere Informationen hierzu finden Sie in unserer Datenschutzerklärung.  

Produkte
FD100.20-58X70

FD100.20-58X70

Der absolutwert-vollwellencoder FD100.20-58X70 kann im servomotorfeld,im aufzugsbereich,im Industrieroboterbereich, im Industrieautomationssteuerlinienbereich usw. verwendet werden.

Für eine detaillierte produktauswahl kontaktieren sie uns bitte  Rückgabe 
Funktion & Features

Vollwellencoder mit absolutem wert, single turn und multi turn optionen

Allgemeines gesamtmaß, mit außendurchmesser von 58mm

EtherCAT-ausgabe

Auflösung bis zu 32 bit

Kurzschlussschutz, overvoltage protection

Eckwerte
Außendurchmesser58mm
Wellendurchmesser6mm,10mm,12mm
Höchstdrehzahl12000 r
Take krönungAxial/radial:40N/110N
Anlaufmoment<3Ncm
Moment der konditionierung<30gcm2
Elektrische parameter
Stromversorgung10…30VDC
Ausgabe singalEtherCAT
Arbeitsstrom<350mA
Maximale AuflösungEine Runde 16-Bit(65536) ;Cycles 16 bits(65536)
Ausgangsfrequenz100MBit/s
ZählrichtungProgrammierbare Einstellung
Null Bit VoreinstellungProgrammierbare Einstellung
Elektrische SchnittstelleVerbinder: M12(5 pin)+M12 (5 hole) +M8 (4 pin)
Mechanische parameter
Einen frankieSpannflansch / Synchronflansch
MaterialsShell: AL;Frank: AL;Achse: Edelstahl
GewichtEtwa 520g
Anti-VibrationIEC 68-2-6;100m/s² 10…2000HZ
ÜberspannungsabdrückungIEC 68-2-27;200m/s² 3ms
Umgebungsbedingungen
Betriebstemperatur﹣40…+80℃
Lagertemperatur﹣40…+85℃
SchutzklasseIP65 / IP67

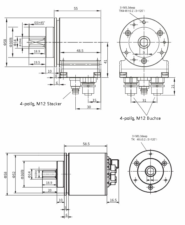
Außenabmessungen 


FD100.20-58X70尺寸图~德.png






FD100.10A-40X2尺寸图2~德.png

Schaltplan  


FD100.20-58X70接线图~德.png




Broschüren
Handbücher
CAD/CAE
Zertifikat